Operating an up-to-date, well-maintained medical gas system involves many regulatory and health care issues. Non-code compliant or poorly-maintained manifolds, alarm switches and panels, and piping systems can endanger patients lives, and leaving you liable. Medical gas systems should be maintained in accordance with National Fire Protection Association (NFPA) standards and local codes which entail specific architectural, mechanical, electrical and ventilation requirements.
HealthChem, Inc., a fully-integrated architectural engineering and construction team, installs and maintains medical gas systems. Our staff consists of licensed engineers, designers and site construction managers who are experienced in the design and installation of medical gas distribution and alarm systems. HealthChem can provide medical gas piping plans required for regulatory approval.
HealthChem's project team goal is to install the most reliable and effective medical gas delivery systems ... on time and on budget.
HealthChem, Inc. is fully qualified to install the following types of medical gas supply services, including all attendant alarm and safety systems:
Medical Gas System Installation and Maintenance Services
HealthChem, Inc. provides the following services in conformance with all applicable regulatory and health care guidelines. For new facility construction or medical gas systems upgrade or maintenance of manifolds and alarm systems, we support facility staff with:
System conception and budget cost estimates
Project plan for permit
Medical system equipment and alarm installation
System inspection, testing and certification
Gas and alarm system maintenance service contract
HealthChem, Inc. strives to understand your special needs ... during the planning/approval stages ... while working at your facility ... training your staff in system operation ... and by maintaining and servicing your medical gas system.
Medical Gas Supply Systems
HealthChem engineered, specified and installed oxygen, nitrous oxide and vacuum medical gas systems for an out-patient clinic. The high purity oxygen, nitrous oxide and carbon dioxide gas supply system was installed using special piping storage, cleaning and installation techniques, resulting in a dependable certified supply of clean medical gases to the operatories, laboratories, exam room and recovery rooms
Medical Gas Alarm Systems
To meet new code requirements, HealthChem engineered, specified, installed and tested master and slave alarm panels to monitor oxygen and nitrous oxide medical gas system at a large New York City hospital. We ran interconnection signal cables and conduits The alarm system was inspected and approved by the Fire Department
Cryogenic Gas Supply Systems
HealthChem has engineered and installed several oxygen gas delivery systems for hospitals which have replaced high-pressure gas supplies with high-capacity liquid oxygen dewars, reducing operating costs. Low-pressure oxygen manifolds, with a high-pressure reserve, piping and alarms were installed, all in accordance with NFPA 99 standards. Ventilation systems were installed for the gas storage rooms in order to satisfy Fire Department regulations.
Custom Gas Control System Capabilities
HealthChem, Inc. provides process lab gas panels for special applications which are not available "off-the-shelf". We work closely with suppliers to ensure that the completed system satisfies all of the customer's operational requirements. We provide drawings, parts list, and installation and operating manual to assure that the system is safe and simple to operate.
Reasons to Upgrade and Expand Medical Gas Systems
Upgrade medical gas systems to satisfy insurance and OSHA requirements. The latest NFPA 99 edition specifies the following features:
1. An Emergency Oxygen Supply Connection for outdoor gas sources
2. Master Alarm Panels in two locations
3. Labeling of gas piping and pressure gauges
Reduce medical gas costs by switching from high-pressure cylinder to cryogenic sources.
Extend medical gas supplies to additional service areas. Connect branch lines, shutoff valves, outlets and area alarms.
Test gas system for leaks and purity. Some older piping systems are soft-soldered.
Replace worn medical gas system components such as pigtails, check valves, gas outlet seals, etc.
Develop a plan for Emergency Expansion of Facilities and Disaster Preparedness
Respiratory Services (treatment, recovery and patient rooms)
Anesthetizing Services (N2O, O2, scavenging)
Suction Service (I.C.U., recovery and exam rooms)
Special Gas Services (laboratories, respiratory care)
Cryogenic Gas Supplies (I.V.F., bio-laboratories)



|
Franklin Hospital Center, Valley Stream, NY |
|
Installed nitrous oxide manifold and alarm systems in accordance with NFPA 99 with minimal shutdown for this large community hospital. Upgraded bulk and reserve oxygen system alarms and installed emergency oxygen connection. All medical gas systems are monitored at the switchboard and respiratory therapist's office. |
|
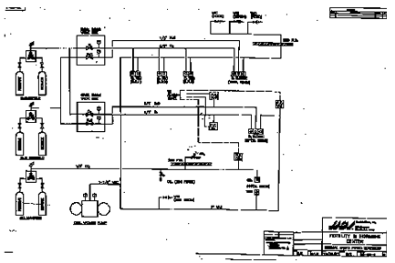
Montefiore Fertility and Hormone Clinic, Dobbs Ferry, NY |
|
Engineered, specified and installed complete medical gas systems in accordance with NFPA 99 for an in-vitro fertilization clinic. Oxygen and nitrous oxide are piped to procedure rooms with auto-changeover manifolds. A liquid-ring vacuum pump provides suction to the recovery room, operatory and laboratories. Liquid nitrogen and carbon dioxide are supplied to egg collection laboratories. All systems are monitored by an integrated gas alarm system. |
|
Jewish Home and Hospital for Aged, New York, NY |
|
Installed high pressure oxygen supply and alarm system. Prepared medical gas system plans and equipment specifications for NYC Department of Buildings approval. Installed master and slave alarm panels. We installed the new oxygen system and associated alarms with minimal shutdown. |
|
Community Hospital of Brooklyn, Brooklyn, NY |
|
Installed liquid oxygen supply system to replace a cylinder oxygen manifold. Prepared medical gas system plans and equipment specifications for NYC Department of Buildings approval. Since the hospital used 40 high-pressure cylinders each day, changing to liquid oxygen cylinders saves the hospital over $100,000 per year. We installed the new oxygen system and associated alarms without shutting out the supply to patient rooms. HealthChem engineered, specified and installed oxygen, nitrous oxide and vacuum medical gas systems for an out-patient clinic. The high purity oxygen, nitrous oxide and carbon dioxide gas supply system was installed using special piping storage, cleaning and installation techniques, resulting in a dependable certified supply of clean medical gases to the operatories, laboratories, exam room and recovery rooms. Cryogenic Gas Source Supply Systems HealthChem has engineered and installed several oxygen gas delivery systems for hospitals which have replaced high-pressure gas supplies with high-capacity liquid oxygen dewars, reducing operating costs. Low-pressure oxygen manifolds, with a high-pressure reserve, piping and alarms were installed, all in accordance with NFPA 99 standards. Ventilation systems were installed for the gas storage rooms in order to satisfy Fire Department regulations. |
